江苏莳境环保科技有限公司欢迎您!
在线留言
联系我们
服务电话:
17625033466
网站首页
关于我们
公司简介
企业文化
产品展示
产品详情
新闻资讯
公司动态
工程案例
人才招聘
用人理念
人才招聘
联系我们
产品展示
产品详情
公司产品
最近更新
▪ 转轮+RTO
▪ 除尘管道改造
▪ 滤筒活性炭吸附箱
▪ 转轮+CO
▪ 柱状活性炭吸附箱
▪ 除尘器
▪ 活性炭催化燃烧一体机
▪ 更换转轮
▪ 活性炭催化燃烧
▪ 活性炭催化燃烧设备
站内搜索
全部
新闻
产品
招聘
搜索
MORE+
热门标签
销售
产品
热门关键词
焦点图
新闻
公司产品
首页
产品展示
产品详情
公司产品
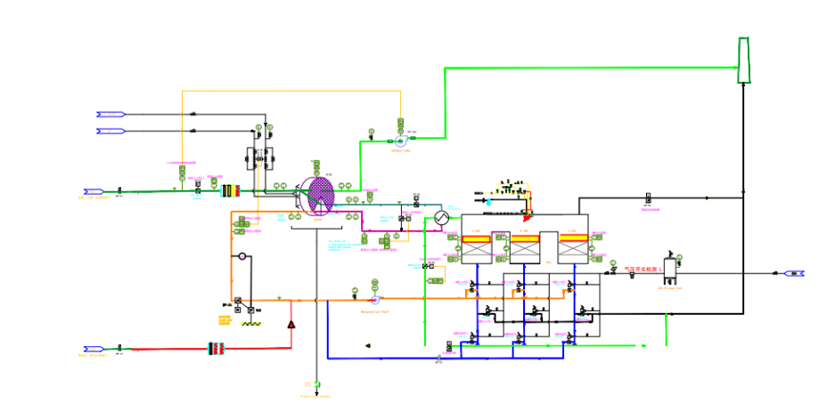
沸石转轮+RTO工艺
沸石转轮+RTO工艺
我要询价
标签:
产品
产品介绍
上一篇:没有了
下一篇:
沸石转轮+CO催化燃烧工艺
返回
相关产品
蓄热式触媒焚化炉
沸石转轮+CO催化燃烧工艺
沸石浓缩转轮系统
江苏莳境环保科技有限公司 版权所有 © 2026 Inc.
苏ICP备2025154441号
网站地图
在线留言
15266001844
返回顶部
我要询价
×
姓名:
手机号码:
询价内容:
提交询价